728x90
반응형
■ 전자개폐기 제어회로
전자개폐기 를 이용한 제어회로는 일반적으로 전자개폐기 는 시퀸스 제어에서 가장 많이 사용되고 있는 전동기의 제어회로에 사용되고 있습니다.
따라서 특별히 유의하여 주기 바랍니다. MCC 회로 또는 조작반, TIMER 및 각종 센서를 이용하여 자동/수동 조작반 등에 구성시에 도움이 될 것 입니다. 기동 조작반등의 동작 표시 및 알람목적으로 사용이 가능합니다. 운전자는 표시되는 사항으로 기기의 동작상태를 체크할 수 있습니다.
⊙ 전자개폐기(마그네트) 회로 구성시 숙지해야 할 사항
- 마그네트 회로 주접점과 보조접점은 마그네트 코일에 전류를 흘리면 동작된다.
[동작 설명]
① R 상과 S 상, T 상의 전류가 IM코일으로 흐르면 유동전동기 IM코일은 기동된다
- 따라서 배선용 차단기 MCB를 넣고 마그네트 주접점 MC 가 작동되면 되는 것이다.
- 배선용 차단기 MCB는 수동으로 조작될 수 있으므로 조작하면 된다.
- 그러나 마그네트 주접점 M . C 는 마그네트 MC이 작동하여야 하므로 마그네트 MC코일에 전류를 흘려 야만 한다.
- 따라서 R상과 T상에서 전원을 인입시켜 MC코일을 작동시킨다. (윗 그림에서는 MCB 조작 후 PBS 만 누르면 된다)
② 마그네트 회로에 스위치는 왜 필요하며 어떻게 작동되는가 (회로에 부가되는 사항을 숙지하기 바란다.)
- 릴레이 X코일의 작동이 정지되고 따라서 X코일의 b 접점 도 닫히어 다음 고장시 부저의 울림을 줄 수 있는 회로의 대기상태로 되며, 고장발생시 위의 방법과 마찬가지로 작동된다.

⊙ 전자개폐기를 이용한 전동기 기본회로
- 삼상 유도전동기의 기동 및 정지 조작용으로 사용되는 회로이며, 적색등과 녹색등을 이용하여 기기의 동작상태를 표시한다. (여기에서는 마그네트 코일 작동회로만 표시한다)
[동작 설명]
① 입력인 누름 버튼 스위치 ST를 누르면 MC코일이 작동되고 MC코일의 a접점에 의하여 자기 유지된다.
② MC코일이 동작되면 MC코일의 a접점에 의해 RL코일이 점등된다.
③ STP를 누르면 MC코일 회로가 차단되어 작동하지 않으므로 MC코일의 b접점이 닫히어, GL코일이 점등된다.

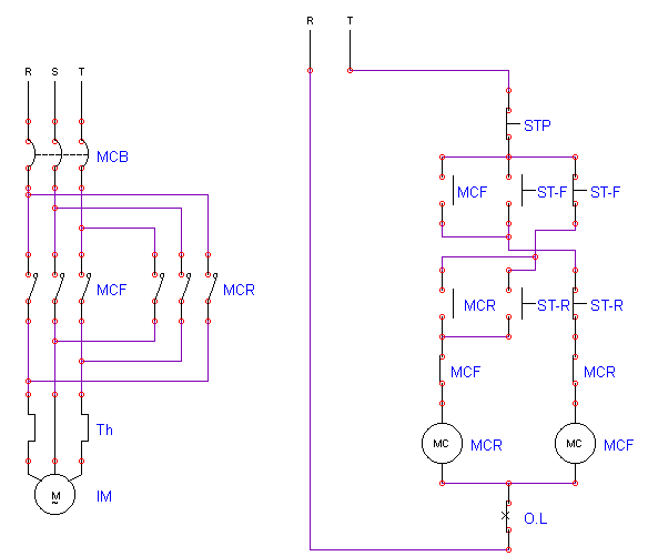
⊙ 정역회로 (주회로의 R.S.T 상 중에 2상의 순서로 바꾼다.)
- 전동기의 기동 정지외에 정회전 또는 역회전이나 긴급 정지시에 사용되는 회로이며, 특히 인터록에 주의하여야 한다.


728x90
반응형
'STUDY > 전기공부' 카테고리의 다른 글
| 전자접촉기 회로 배선하기 및 기초설명 (0) | 2023.11.01 |
|---|---|
| 순서기동회로 구성 및 기초설명 (0) | 2023.11.01 |
| 표시회로 및 경보회로 기초 설명 (1) | 2023.11.01 |
| 검출회로 및 기초 설명 (1) | 2023.11.01 |
| 선택회로 (우선회로) 및 기초 설명 (0) | 2023.11.01 |