■ 선택회로 (우선회로) 및 기초
전기 인터록회로(Interlock Circuit)
여러 기기나 장치 간에 상호 작용을 제어하기 위한 회로를 말합니다. 이 회로는 일반적으로 안전 및 보호 목적으로 사용되며 특히 여러 시스템이나 장치가 특정 순서나 조건에 따라 작동해야 하는 경우에 적용됩니다. 아래는 전기 인터록회로의 주요 특징과 작동 방식에 대한 간단한 설명입니다.
1. 목적
- 안전 보호 : 인터록회로는 사람들이나 장치를 보호하기 위해 특정 순서나 조건이 충족되지 않으면 시스템이나 장치의 동작을 막는 데 사용됩니다.
- 장치 보호 : 다른 장치의 오동작을 방지하거나 특정 조건이 충족되지 않으면 장치의 동작을 중지시켜 다른 장치를 보호합니다.
2. 동작 방식
- 상호 잠금 : 인터록회로는 여러 기기나 장치 간에 서로 영향을 주고받는데, 이 때 하나의 동작이 다른 동작에 영향을 미치지 않도록 상호 잠금을 사용합니다. 예를 들어, A 기기가 작동 중일 때 B 기기는 작동하지 않도록 상호 잠금이 설정될 수 있습니다.
- 조건 충족 : 인터록회로는 특정 조건이 충족되었을 때만 동작하도록 설계됩니다. 이를 통해 시스템이나 장치가 안전한 상태에서만 운전되도록 보장됩니다.
-순서 제어 : 여러 단계로 이루어진 프로세스가 있을 때, 각 단계가 올바른 순서로 진행되도록 하는데 사용됩니다.
3. 응용 분야
- 산업 자동화 : 공정 제어나 생산 라인에서 여러 기기 간의 상호 작용을 조절하여 생산 효율성을 높이고 안전을 유지하는 데 사용됩니다.
- 전기 시스템 : 전기 패널이나 서브스테이션에서 전기 장치 간의 상호 연동 및 안전을 제어하기 위해 적용됩니다.
- 기타 : 자동차, 로봇, 기계장치 등 다양한 분야에서도 사용될 수 있습니다.
전기 인터록회로는 각각의 응용 분야에 맞게 설계되며, 다양한 센서, 스위치, 릴레이 등의 전자 부품을 활용하여 구현됩니다. 회로 설계자는 안전 규정 및 시스템 요구 사항을 고려하여 적절한 인터록회로를 설계하고 구성합니다.
√ 선택회로
2개의 입력중 먼저 작동 시킨쪽의 회로가 우선으로 이루어져 기기가 작동하며, 다른쪽 입력이 (신호가) 들어오더라도 작동하지 않는 회로이다. 인터록(Interlock) 회로이다.
》 선택회로 [선행 우선 회로(인터록 회로)]
[동작 설명]
① 입력인 누름 버튼 스위치 PB1를 누르면 (여기서는 연속 입력으로 한다.)
ㆍ입력 PB1을 누르면 릴레이 코일 X1 가 동작한다.
ㆍ릴레이 코일 X1 가 동작하면 릴레이 코일 X1의 b 접점 X1는 떨어진다.
② 입력인 누름 버튼 스위치 PB1를 누른 후 입력인 누름 버튼 스위치 PB2를 누르면
ㆍ릴레이 코일 X2의 b 접점 X2에서 차단되어 릴레이 코일 X1코일은 동작하지 않는다.
③ 입력인 누름 버튼 스위치 PB2만 누르면 (연속입력)
ㆍ입력 PB2을 누르면 릴레이 코일 X2코일이 동작한다.
ㆍ릴레이 코일 X2이 동작하면 릴레이 코일 X2코일의 b접점 X2은 떨어진다.
④ 입력인 누름 버튼 스위치 PB2를 누른 후 입력 PB1를 주면 ㆍ릴레이 코일 X1코일의 b 접점 X1에서 차단되어 릴레이 코일 X2는 작동하지 않는다.

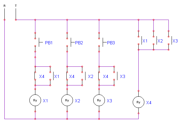
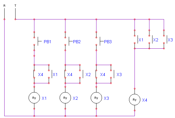
》 선택회로 [최초 선택회로]
여러개의 입력조건 중 어느 한곳의 입력에 최초의 입력이 부여되면 그 입력이 제거될 때까지는 다른 입력을 받아들이지 않고 그 회로 하나만 작동한다.
[동작 설명]
① 입력인 누름 버튼 스위치 PB1를 누르면 (연속입력)
ㆍ입력 PB1을 누르면 릴레이 코일 X1가 동작한다.
ㆍ릴레이 코일 X1이 동작하면 릴레이 코일 X1코일의 a 접점 X1이 닫히어 릴레이 코일 X1코일의 자기 유지 회로 가 형성된다.
ㆍ동시에 릴레이 코일 X1코일의 a접점 X1 도 닫히어 릴레이 코일 X4를 동작시킨다.
ㆍ릴레이 코일 X4 동작되면 릴레이 X1 → X2 →Xn 까지의 릴레이 코일 X4의 b 접점 X4가 열리어 회로를 차단 시킨다.
② 입력인 누름 버튼 스위치 PB1를 누른 후 PB2 나 PB3을 주면
ㆍ릴레이 코일 X1 동작시 릴레이 코일 X4가 동작하며 릴레이 코일 X4 회로가 전부 차단되었으므로 릴레이 코일 X2코일은 작동하지 않는다.
ㆍ같은 방법으로 릴레이 코일 X3도 동작하지 않으며 릴레이 코일 X1만 계속 동작을 유지한다.
③ 입력인 누름 버튼 스위치 PB1를 Off한 후 입력인 누름 버튼 스위치 PB2를 누르면
ㆍ입력 PB2을 누르면 릴레이 코일 X2가 동작한다.
ㆍ릴레이 코일 X2의 a접점 X2이 닫히어 자기 유지 회로를 만든다.
ㆍ동시에 릴레이 X2의 a접점 X2로 인해 릴레이 코일 X4을 동작시켜 릴레이 코일 X4의 b접점 X4로 나머지 릴레이 의 회로를 차단시킨다.

》 선택회로 [후선택 우선회로]
여러개의 입력중 가장 낮은 입력을 준 것이 우선회로이며, 먼저 작동하고 있는 것이 있으면 그 회로를 제거하고 새로 부여된 입력에서만 출력을 내는 회로이다.
( 이 회로도에서는 a 접점의 연동 상태만 표시하였으므로 충분히 숙지하기 바란다.)
[동작 설명]
① 입력인 누름 버튼 스위치 PB1를 누르면 (순시 입력)
ㆍ 입력 PB1을 누르면 릴레이 코일 X1이 동작하여 자기 유지가 이루어진다.
② 입력인 누름 버튼 스위치 PB1 누른 후 PB2를 누르면
ㆍ 릴레이 코일 X1이 자기 유지가 이루어져 작동하고 있었으나 입력 PB2이 눌려지면 릴레이 코일 X2가 동작한다.
ㆍ 릴레이 코일 X2이 동작하면 릴레이 코일 X1이 자기 유지회로의 b접점 X2가 열리어 릴레이 코일 X1의 작동은 정지된다.
ㆍ 따라서 릴레이 코일 X2만 작동한다.
③ 어느 입력을 준 후 다른 입력을 또 다시 주면
ㆍ 위와 같은 방법으로 하여 가장 늦게 준 입력의 회로에서만 출력이 나온다.

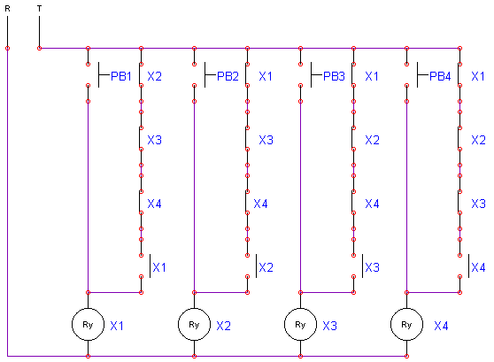
》 선택회로 [순위별 우선회로]
입력신호에 미리 우선 순위를 정하여 우선순위가 높은 순위가 입력신호에서 출력을 내는 회로이며, 입력순위가 낮은 곳에 입력이 부여되어 있어도 입력순위가 높은 곳에 입력이 부여되면 낮은 쪽을 제거하고 높은 쪽에서만 출력을 낸다.
[동작 설명]
① 입력인 누름 버튼 스위치 PB1을 눌렀을 때 (연속입력)
ㆍ입력 PB1을 누르면 릴레이 코일 X1이 동작한다.
ㆍ릴레이 코일 X1이 동작하면 릴레이 코일 X1의 b접점 X1을 열어서 릴레이 코일 X2, 릴레이 코일 X3, 릴레이 코일 X4의 회로를 차단한다.
② 입력인 누름 버튼 스위치 PB1을 누른 후에 PB2를 눌렀을 때 (연속입력)
ㆍ먼저와 같이되어 릴레이 코일 X2은 동작하지 않는다.
③ 입력인 누름 버튼 스위치 PB2 를 누른 후 PB1 의 입력을 주었을 때
ㆍ입력 PB2 의 입력을 주면 릴레이 코일 X2가 동작한다.
ㆍ릴레이 코일 X2가 동작되면 릴레이 코일 X2의 b접점 X2를 열어서 릴레이 코일 X3, 릴레이 코일 X4의 회로를 Off시킨다.
ㆍ그러나 입력 PB1을 누르면 다시 릴레이 코일 X1은 작동되고 b접점 X1에 의해서 릴레이 코일 X2의 작동은 정지된다.

★ 다른 전기회로
타이머 응용 회로 및 기초 설명
1. 전기기초 회로 및 설명 전기회로는 전자공학, 전기공학 및 컴퓨터 공학과 같은 분야에서 중요한 개념이며, 다양한 기술과 응용 분야에서 핵심 역할을 합니다. 전기회로 설계 및 회로분석은 전
dailybits.tistory.com
'STUDY > 전기공부' 카테고리의 다른 글
| 표시회로 및 경보회로 기초 설명 (1) | 2023.11.01 |
|---|---|
| 검출회로 및 기초 설명 (1) | 2023.11.01 |
| 타이머 응용 회로 및 기초 설명 (0) | 2023.11.01 |
| 자기유지회로 및 기초 설명 (2) | 2023.11.01 |
| 전기기초 회로 및 설명 (1) | 2023.10.30 |