■ 전자접촉기 회로 란 ?
전자접촉기 회로는 전기적인 신호에 따라 전기적으로 작동하는 스위치로서, 회로를 닫거나 끄는 기능을 수행하는 장치입니다. 이는 주로 전기 신호에 따라 전원을 켜거나 끄는 데 사용되며, 자동화 및 제어 시스템에서 흔하게 찾을 수 있습니다.
전자접촉기 회로의 주요 구성 요소는 코일, 컨택터, 그리고 유도기가 포함됩니다.
코일(Coil) :
- 전자접촉기의 핵심 부품 중 하나인 코일은 전기적인 에너지를 받아 전자접촉기 내의 특정 부분을 움직이게 합니다. 코일이 전류를 받으면 그 주위에 자기장이 형성되고, 이는 다른 부분을 움직여 전자접촉기를 작동시킵니다.
컨택터(Contactors) :
- 컨택터는 코일이 작동될 때 발생하는 움직임에 의해 회로를 연결 또는 차단하는 역할을 합니다. 코일이 작동하면 컨택터는 회로를 닫아 전기를 흐르게 하거나, 반대로 회로를 열어 전기 흐름을 차단합니다.
유도기(Inductor) :
전자접촉기 회로에서는 유도기가 코일 주변의 자기장에 에너지를 저장하여 코일이 작동하는 동안 에너지를 유지시켜줍니다. 이는 코일이 작동을 멈출 때에도 전자접촉기가 원활하게 작동하도록 도와줍니다.
√ 전자접촉기 회로 배선하기
[목표]
① 버튼 스위치, 전자 접촉기, 퓨즈, 단자대 등을 도면에 맞게 고정할 수 있다.
② 제시된 도면의 회로를 비닐 절연 전선(단선)으로 전선 배선 및 단자 연결을 할 수 있다.
③ 버튼 스위치로 전자 접촉기를 ON 하는 회로를 결선할 수 있다.
[기계 및 공구]
· 롱노즈플라이어 · 니퍼· 회로 시험기 · 드라이버 · 와이어 스트리퍼
[재료명]
- 전자 접촉기 : 4a, 1b
- 플러그 퓨즈 및 홀더 : 600V, 3A
- 단자대 : 4P
- 합판 : 20x400x400
- 버튼 스위치 : 1a1b
- 버튼스위치함 : 25 철재
[안전 및 유의사항]
① 패널에 기구 고정 시 기구가 파손되지 않도록 무리한 힘을 가하지 않는다.
② 전원을 투입하기 전에 전자 접촉기의 정격전압을 확인한다
[작 업 순 서]
1. 작업 준비를 한다.
(가) 주어진 도면을 확인한다.
(나) 지급된 재료가 도면에 맞게 지급되었는가를 확인한다.
(다) 회로 시험기 등을 이용하여 재료 각 부분(a 접점, b 접점, 코일 등)을 점검한다.
(라) 육안으로 가능한 모든 곳을 점검한다.
(마) 작업하기에 편리하도록 재료와 공구를 정리 정돈한다.
2. 부품을 고정한다.
(가) 도면의 위치대로 부품을 임시 배치한다.
(나) 퓨즈, MCCB, KS 등을 고정 시킬 경우에는 전원측과 부하측을 구별하여 고정시킨다.
(다) 부품을 고정할 곳에 표시한다.
(라) 표시된 곳에 부품을 고정 배열하고 수평수직 상태와 규정에 맞게 되었는가를 확인한다.
(마) 전선 배열을 어떻게 할 것인가를 구상한다.
(바) 부품 고정시 파손된 것이 있는지 확인한다.
3. 배선 작업을 한다.
(가) 부품의 배열 위치에 맞도록 실체 배선도를 그린다.
(나) 실체 배선도를 그릴 경우에는 제어 회로의 각 접속선에 임의로 고유의 선번호를 부여한다.
(다) 선번호를 부여하는 방법은 공통 접속점을 기준하여 동일 번호를 부여하고 실제로 배선 작업 시 전선에 번호표를 부착한다.
(라) 전선에 고정과 묶음은 금속성이 없는 바인드선을 사용한다.
(마) 전선을 중간으로 접속하거나 바닥에 닿지 않도록 배열한다.
(바) 버튼스위치, 퓨즈, 전자 접촉기 등에 단자 연결을 하는 경우에는 전기적. 기계적으로 완전하게 해야 한다.
4. 동작을 확인한다.
(가) 회로 시험기 등을 이용하여 완성된 회로가 도면에 맞는가를 확인한다.
(나) 선번호가 일치하는가를 검사한다.
(다) 지도 교사의 평가를 받는다.
5. 정리 정돈을 한다.
(가) 공구를 정리 정돈한다.
(나) 나머지 재료를 정리 정돈한다.
(다) 주위를 정리 정돈한다.
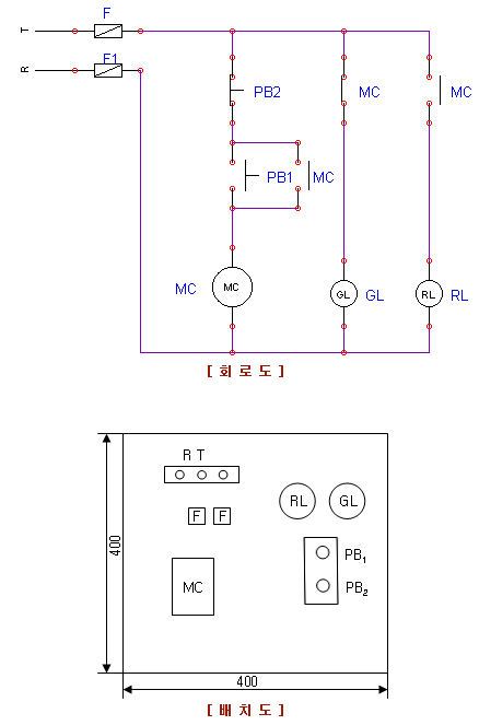
[전자접촉기 ON 회로 배선하기]

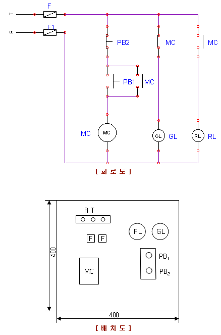
[자기 유지회로와 표시등 배선하기]

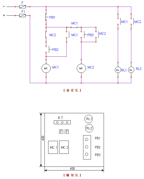
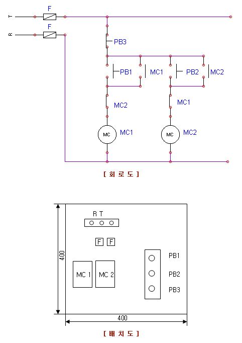
[우선동작 회로 배선하기]

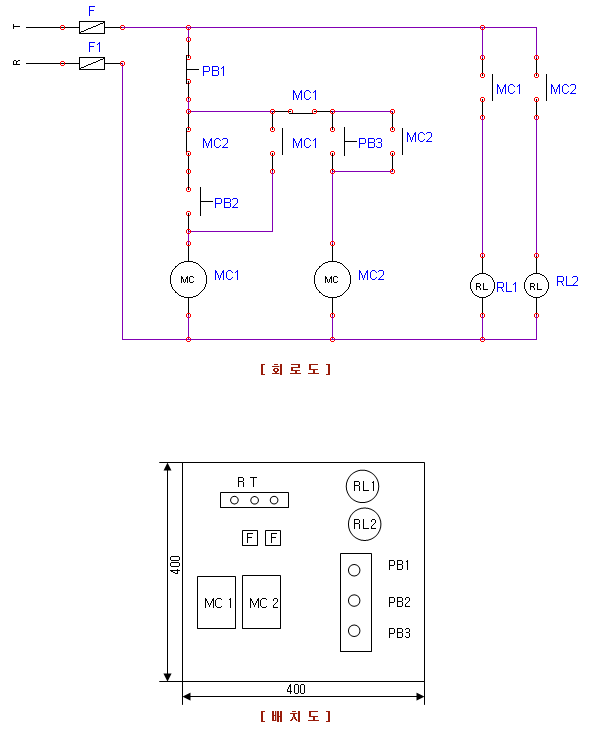
[인터로크 회선 배선하기]

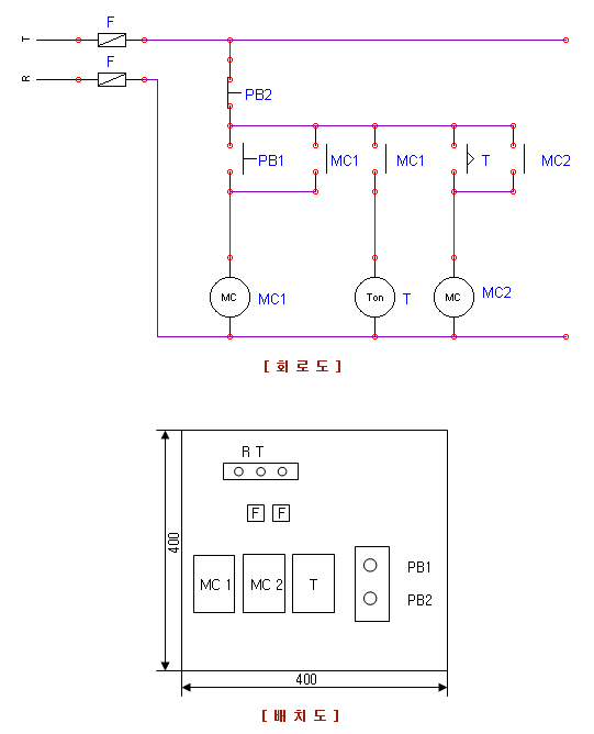
[타이머 동작 회로 배선하기]

[순차동작 회로 배선하기]

전자접촉기 회로는 전력 제어 및 자동 제어 시스템에서 사용되어 전기 장치를 효율적으로 제어하고 보호하는 데 중요한 역할을 합니다. 주로 산업용 기계, 전력 시스템, 철도 등 다양한 분야에서 활용되고 있습니다.
★ 다른 전기회로 보기
순서기동회로 구성 및 기초설명
■ 순서기동회로 구성 및 기초설명 순서기동회로 란 기동과 정지가 정해진 순서에 의해서 행하여지는 회로를 말하며, 하나를 기동시키면 일정시간 후 다른 기기가 동작을 계속 행하며 정지시에
dailybits.tistory.com
'STUDY > 전기공부' 카테고리의 다른 글
| 단상 및 리밋 스위치 이용한 유도전동기 정역 운전회로 (0) | 2023.11.01 | 
|---|---|
| 3상,단상 유도전동기 운전회로 배선 기초 배우기 (0) | 2023.11.01 | 
| 순서기동회로 구성 및 기초설명 (0) | 2023.11.01 | 
| 전자개폐기 제어 회로 (1) | 2023.11.01 | 
| 표시회로 및 경보회로 기초 설명 (1) | 2023.11.01 | 
 
														
													 
														
													 
														
													