■ 유도전동기 운전회로
- 유도전동기의 운전회로는 전력을 효과적으로 제어하고 모터를 안전하게 운전하기 위한 회로를 의미합니다. 아래는 유도전동기의 운전회로에 대한 주요 구성 요소와 개념을 설명한 내용입니다.
① 단상 유도전동기 운전회로
1. 주요 구성 요소
- 전원 공급 : 모터에 전원을 공급하기 위한 단상 전원 회로가 포함됩니다.
- 스위치 및 버튼 : 모터를 시작하거나 정지시키기 위한 스위치와 버튼이 포함됩니다.
- 콘덴서 : 역률을 개선하기 위해 사용되는 콘덴서가 회로에 포함됩니다.
- 열 보호 장치 : 모터의 과열을 방지하기 위한 열 보호 장치가 회로에 포함됩니다.
- 회로 차단기 : 과전류 또는 다른 비정상적인 조건에서 모터를 보호하기 위한 회로 차단기가 포함됩니다.
2. 동작 원리
- 시작 : 모터를 가동하기 위해서는 스위치나 버튼을 통해 전원을 모터에 공급합니다. 이때, 모터의 회전 방향이 결정됩니다.
- 콘덴서 작동 : 콘덴서는 모터의 역률을 개선하기 위해 작동하며, 모터가 시작될 때 도움을 줍니다.
- 모터 운전 : 전원이 가해지면 모터는 회전을 시작하고 적절한 속도에 도달합니다.
- 정지 : 모터를 정지시키려면 스위치나 버튼을 사용하여 전원을 차단합니다. 이때, 회로 차단기와 열 보호 장치는 모터를 보호하기 위해 작동합니다.
② 3상 유도전동기 운전회로
1. 주요 구성 요소
- 3상 전원 공급 : 3상 전원을 모터에 공급하기 위한 회로가 포함됩니다.
- 자동 및 수동 제어 : 자동 및 수동으로 모터를 가동 및 정지시키기 위한 제어 장치가 포함됩니다.
- 회전 방향 제어 : 모터의 회전 방향을 제어하기 위한 스위치나 회로가 포함됩니다.
- 콘덴서 : 역률을 개선하기 위한 콘덴서가 사용될 수 있습니다.
- 열 보호 및 회로 차단기 : 과열 및 과전류를 방지하기 위한 장치가 회로에 포함됩니다.
2. 동작 원리
- 시작 : 3상 유도전동기의 시작은 자동 또는 수동 제어로 이루어지며, 모터는 회전 방향에 따라 정해진 상태에서 가동합니다.
- 제어 신호 : 회로에 포함된 제어 장치는 모터의 속도 및 방향을 제어합니다.
- 모터 운전 : 3상 모터가 회전을 시작하고 적절한 속도에 도달합니다.
- 정지 : 모터를 정지시키려면 제어 장치를 통해 전원을 차단하며, 이때 열 보호 장치와 회로 차단기가 작동하여 모터를 보호합니다.
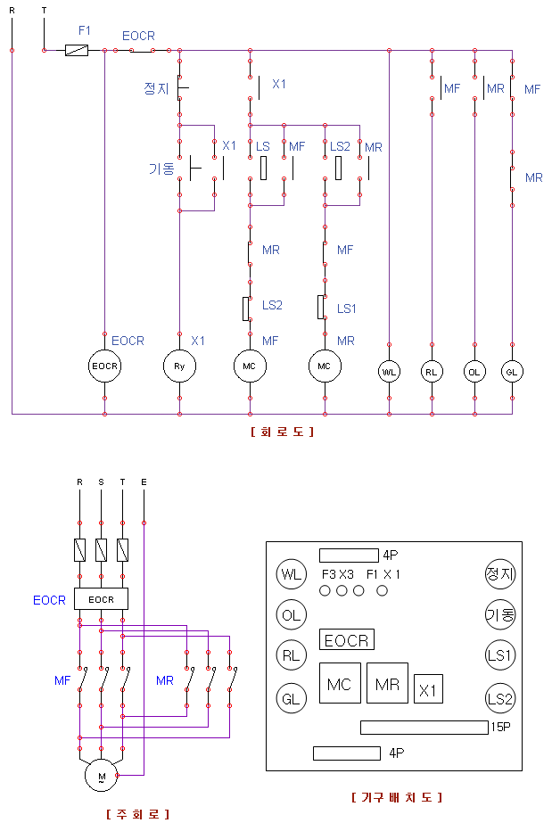
리밋 스위치를 이용한 자동 정·역 유도 전동기 운전회로 배선하기
단상 유도 전동기 정·역 운전회로 배선하기
º 리밋 스위치(Limit Switch) 을 이용한 자동 유도전동기 정·역 운전회로 배선
[목표]
① 기구배치 및 노출 평면 배선을 정확히 할 수 있다.
② 리밋 스위치를 사용한 전동기의 자동 정·역 회로를 배선할 수 있다.
[기계 및 공구]
· 3상 유도 전동기 드라이버 · 롱로즈플라이어 · 니퍼
[재료명]
· 전자 접촉기 : 220V, 3HP 5a2b (2개)
· 리밋 스위치 : 220V, 5A 1a1b (2개)
· 릴레이 : 8핀 (1개)
[안전 및 유의사항]
① 전원을 투입하기 전에 전원 전압을 확인하고 이상유무를 점검한다.
② 퓨즈는 정격 용량의 것을 사용한다.
③ 전동기 부하 접속시 필히 접지를 한다.
④ 리밋 스위치 결선시, 내부 마이크로 스위치 단자가 파손되지 않도록 한다.
[작 업 순 서]
1. 작업 준비를 한다.
(가) 회로의 동작 기능을 이해한다
(나) 동작 요구조건
① 기동 스위치 → 운전 준비
② 정회전용 리미트 스위치(LS1) → 정회전 운전
③ 역회전용 리미트 스위치(LS2) → 역회전 운전
④ 운전 중 → 과전류 계전기(EOCR) 동작 → MF, MR 정지 → 유도 전동기 정지
⑤ 표시등 :
- 상시 표시등 (WL) - 정지와 운전 시 상시점등
- 정회전용 표시등 (OL) - 정회전 운전 시 점등
- 역회전용 표시등 (RL) - 역회전 운전 시 점등
- 정지 표시등 (GL) - 정회전, 역회전 모두 정지 시 점등
* 정회전 중 역회전 또는 여고히전 중 정회전을 위해서는 해당 스위치 (LS1, LS2)에 의해서 순간 전환이 가능함.
(다) 제어회로에서 단자대 번호를 배정한다.
(라) 재료 및 공구를 준비하고 재료의 이상유무를 점검한다.
2. 기구를 배치 및 고정한다.
(가) 기구배치도에 따라서 기구를 배치하고 고정한다.
(나) 미관과 경제성을 고려하여 안전하게 고정한다.
3. 회로배선을 한다.
(가) 제어회로를 전원측부터 배선한다.
(나) 주 회로를 배선한다.
(다) 주 회로와 제어회로를 구분하여 정리한 후 바인드선으로 묶어준다.
4. 점검한다.
(가) 오 결선, 결선 누락, 제어함에 접지, 퓨즈 상태 등의 외관 검사를 한다.
(나) 제어회로도와 회로시험기를 사용하여 결선상태를 확인한다.
5. 동작시험을 한다.
(가) 시험용 전동기를 연결하고 동작조건에 따라서 조작한다.
(나) 동작시험을 실시한 결과 이상이 있으면 수정 보완한다.
6. 검사를 받는다. 검사 결과 지적 사항은 다음 과제에 반영한다.
7. 정리 정돈을 한다.

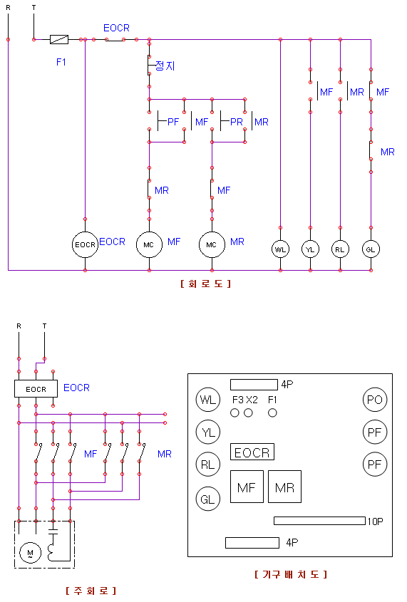
º 단상 유도 전동기 정·역 운전회로 배선
[목표]
① 제어반 내의 기구배치 및 노출 평면 배선을 할 수 있다.
② 단상 유도 전동기의 정·역 회로의 배선을 알 수 있다.
[기계 및 공구]
· 3상 유도 전동기 드라이버 · 롱로즈플라이어 · 니퍼 · 회로 시험기
[재료명]
· 전자개폐기 : 5a2b (2개)
· 퓨즈 (2개) ·누름 버튼 : 1a1b (3개)
· 스위치
·표시등 : 220v, Φ25 (4개)
[안전 및 유의사항]
① 전원을 투입하기 전에 전원 전압을 확인하고 이상유무를 점검한다.
② 전동기의 상순 및 기동결선법을 확인한다.
③ EOCR의 전류 조정 눈금을 전동기의 정격값에 맞춘다
[작 업 순 서]
1. 작업 준비를 한다.
(가) 동작 기능을 이해한다
(나) 동작요구 조건
① 정회전용(PF) 스위치 → 정회전용(MF) 동작 → 유도 전동기 정회전 운전
② 정지 스위치 → 정회전용 (MF) 정지 → 유도 전동기 정회전 정지
③ 역회전용 (PR) 스위치 → 역회전용 (MR) 정지 → 유도 전동기 역회전 운전
④ 정지 스위치 → 역회전용 (MR) 정지 → 유도 전동기 역회전 정지
⑤ 운전 중 → 과전류 계전기 (EOCR) 동작 → MF, MR 정지 → 유도 전동기 정지
⑥ 표시등 :
- 상시 표시등 (WL) - 정지와 운전 시 상시 점등
- 정회전용 표시등 (YL) - 정회전 운전 시 점등
- 역회전용 표시등 (RL) - 역회전 운진 시 점등
- 정지 표시등 (GL) - 정회전, 역회전 모두 정지 시 점등
* 정회전 중 역회전 또는 역회전 중 정회전을 위해서는 단상 유도 전동기의 특성상 정지가 필요함.
(다) 제어회로에서 단자대 번호를 배정한다.
(라) 재료 및 공구를 준비하고 재료의 이상유무를 점검한다.
2. 기구를 배치 및 고정한다.
(가) 기구배치도에 따라서 기구를 배치하고 고정한다.
(나) 미관과 경제성을 고려하여 안전하게 고정한다.
3. 회로배선을 한다.
(가) 제어회로를 전원측부터 배선한다.
(나) 주 회로를 배선한다.
(다) 주 회로와 제어회로를 구분하여 정리한 후 바인드선으로 묶어준다.
4. 점검한다.
(가) 오 결선, 결선 누락, 제어함에 접지, 퓨즈 상태 등의 외관 검사를 한다.
(나) 제어회로도와 회로시험기를 사용하여 결선상태를 확인한다.
5. 동작 시험을 한다.
(가) 시험용 전동기를 연결하고 동작조건에 따라서 조작한다.
(나) 동작시험을 실시한 결과 이상이 있으면 수정 보완한다.
6. 검사를 받는다. 검사 결과 지적 사항은 다음 과제에 반영한다.
7. 정리 정돈을 한다.

3상,단상 유도전동기 운전회로 배선 기초 배우기
■ 3상,단상 유도전동기 운전회로 3상과 단상 유도전동기의 운전회로 배선은 전기 모터를 효과적으로 제어하고 안전하게 운전하기 위한 중요한 부분입니다. 아래는 3상과 단상 유도전동기의 운
dailybits.tistory.com
'STUDY > 전기공부' 카테고리의 다른 글
| 3상 유도전동기 와이델타 극수변환 배선 회로 공부 (2) | 2023.11.08 |
|---|---|
| 유도전동기 한시기동정지, 자동수동회로,타이머회로 배선하기 (0) | 2023.11.08 |
| 3상,단상 유도전동기 운전회로 배선 기초 배우기 (0) | 2023.11.01 |
| 전자접촉기 회로 배선하기 및 기초설명 (0) | 2023.11.01 |
| 순서기동회로 구성 및 기초설명 (0) | 2023.11.01 |