1. 전기기초 회로 및 설명
전기회로는 전자공학, 전기공학 및 컴퓨터 공학과 같은 분야에서 중요한 개념이며, 다양한 기술과 응용 분야에서 핵심 역할을 합니다. 전기회로 설계 및 회로분석은 전자 제품 및 시스템의 개발
dailybits.co.kr
2. 자기유지 회로 및 기초 설명
"자기유지 회로"라는 용어는 전기 및 전자 공학에서 사용되며 일반적으로 "자기 반송 루프" 또는 "자기 피드백 루프"로 더 잘 알려져 있습니다. 이것은 어떤 시스템이나 회로에서 출력 신호를 측
dailybits.co.kr
■ 타이머 응용회로 및 설명
타이머 응용 회로는 정해진 시간 동안 특정 동작을 수행하거나, 일정 간격으로 반복되는 작업을 제어하는 데 사용되는 회로입니다. 이러한 회로는 다양한 분야에서 유용하게 활용되며, 자동화 및 정확한 시간 제어를 필요로 하는 다양한 응용 분야에서 찾아볼 수 있습니다.
타이머 회로의 기본 개념
- 타이머 회로는 주어진 시간 동안 작업을 수행하거나, 일정한 주기로 반복되는 동작을 조절하는 데 사용됩니다.
- 주파수 발생기, 카운터, 혹은 555 타이머 IC와 같은 전자 소자들을 활용하여 타이밍을 제어합니다.
º 타이머 응용 회로
- 가장 기본적인 타이머를 응용한 작동회로이며, 입력이 주어진 후 설정시간이 되어야 출력이 나오는 회로이다. (타이머의 한시동작 순시복귀 접점이 작동되는 회로이다)
º 타이머 응용 회로 [지연 작동회로]
[동작 설명]
① 입력인 누름 버튼 스위치 PB1울 눌렀을 때 (입력 PB1를 눌렀을 때)
- 입력 PB2를 누르면 타이머 코일 T가 동작이 시작된다.
- 타이머 코일 T가 동작되면 타이머의 순시 a접점 T가 닫혀서 자기 유지된다.
② 입력인 누름 버튼 스위치 PB1를 Off 했을 때 (입력 PB1를 떼었을 때)
- 자기 유지회로가 되어 타이머의 작동은 계속된다. ㆍT 초 후 (설정시간 후) 타이머의 한시동작 순시복귀 a접점이 닫히고, 타이머의 한시동작 순시복귀 b접점이 떨어진다. (출력이 나온다)
③ 입력인 누름 버튼 스위치 PB2를 눌렀을 때 (입력 PB2를 눌렀을 때)
- 타이머에 전원이 차단되며, 즉시 타이머 한시동작 순시복귀 접점이 원래의 상태로 돌아온다. 입력 PB1를 주고 제거해도 자기 유지되며(순시 a 접점 T), 설정시간이 지나서 한시동작 순시복귀 a접점과 한시동작 순시복귀 b접점이 작동한다. 다시 입력 PB2를 주는 순간 모든 것이 원래로 돌아온다.


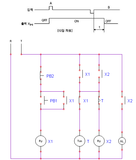
º 타이머 응용 회로 [한시 복귀회로]
- 입력이 주어지면 순시에 출력을 내고 입력을 제거해도 설정시간까지는 계속 출력을 내며, 설정시간 후 작동이 정지된는 회로이다.
[동작 설명]
① 입력인 누름 버튼 스위치 PB1를 눌렀을 때 (입력 PB1를 눌렀을 때)
- 입력 PB1을 누르면 릴레이 코일 X1이 동작하여 릴레이 a접점 X1에 의하여 자기 유지 된다.
- 다음으로 릴레이 코일 a접점 X1이 동작하여 릴레이 코일 X2가 동작하고, 릴레이 a접점 X2가 닫혀서 릴레이 코일 X2도 자기 유지된다. 따라서, X2에서도 출력이 나오게 된다.
② 입력인 누름 버튼 스위치 PB2를 눌렀을 때 (입력 PB2를 눌렀을 때)
- 릴레이 코일 X1회로가 차단되고 릴레이 X1의 b접점이 닫혀서 타이머 코일 T가 작동된다.
- 설정 시간 후 타이머의 한시 접점 T이 열려서 릴레이 코일 X2 의 전원도 차단시킨다.
- 따라서 릴레이 코일 X2 의 a접점 X2도 열리고 출력이 나오지 않게 된다.

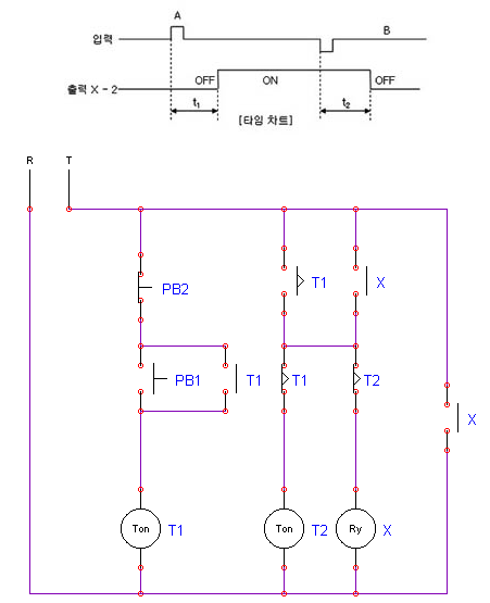
º 타이머 응용 회로 [지연작동 한시 복귀회로]
- 입력신호가 부여된 후 설정시간이 지난 다음 출력을 내고 입력이 제거되더라도 계속 출력을 내다가 설정시간이 지나면 정지되는 회로이다.
[동작 설명]
① 입력인 누름 버튼 스위치 PB1를 누르면 (입력을 주면 ; 눌렀다 떼는 것을 원칙으로 한다.)
- 입력 PB1을 누르면 타이머 코일 T1이 동작이 시작되며, T1의 코일의 순시접점 T1이 닫혀서 자기 유지 된다.
- 설정시간 후 타이머 코일 T1의 한시동작 순시복귀 T1 a접점이 닫혀서 릴레이 코일 X가 작동하고 릴레이 코일 X의 a접점 X에 의하여 자기유지되며, 같은 방법으로 X에서도 출력이 나온다.
② 입력인 누름 버튼 스위치 PB2를 누르면 (입력을 제거하면)
- 타이머 코일 T1이 동작이 중지되어 T1코일의 a접점 순시접점 T1이 열리고 T1코일의 b접점이 닫혀서 타 이머 코일 T2가 동작하기 시작한다.
- 설정시간이 되면 타이머 코일 T2의 한시동작 순시복귀 b접점 T2가 열려서 X의 작동을 중지시키고, 따라서 X 출력은 나오지 않게 된다. 입력이 주어진 후 설정시간 뒤부터 출력이 나오기 시작하여 이력이 제거된 후에도 설정시간까지 출력이 나온다.

º 타이머 응용 회로 [간격 작동회로]
- 입력신호에 의하여 순시에 출력을 내고 입력신호와 관계없이 설정시간만큼 일정시간동안 출력을 내는 회로를 말한다.
[동작 설명]
① 입력인 누름 버튼 스위치 PB1를 눌렀을 때
- 입력 PB1을 누르면 릴레이 코일 X가 동작하고 동시에 릴레이 코일 a접점 X가 동작하여 타이머 코일 T1도 동작이 이루어진다.
- 릴레이 코일 X가 동작하면 릴레이 a 접점 X이 닫혀 자기유지가 이루어지고 X가 닫혀서 출력이 나온다.
- 설정된 시간이 지나면 타이머 코일 T1의 한시동작 순시복귀 b접점 T1가 열리어 릴레이 코일 X가 정지되고, 릴레이 코일 a접점 X가 열리어 자기 유지회로가 차단되고 X도 열려 출력도 정지된다. 입력이 주어지면 즉시 출력이 나오고 설정시간이 지난 뒤에는 출력이 정지 된다.

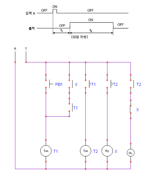
º 타이머 응용 회로 [지연간격 작동회로]
- 입력신호를 주면 설정시간이 지난 후부터 출력을 내기 시작하여 일정시간 동안 출력을 내는 회로이다.
[동작 설명]
① 입력인 누름 버튼 스위치 PB1를 누르면 (입력 PB1을 주면)
- 입력 PB1을 누르면 타이머 코일 T1 동작이 시작된다.
- 설정시간 후 타이머 코일 T1의 한시동작 순시복귀 a 접점 T1이 닫히어 타이머 코일 T2다 동작이 시작되며, 타이머 코일 T2의 한시동작 순시복귀 a접점 T2가 닫히어 출력이 나오게 된다.
- T 초 후 (설정시간 후) 타이머 코일 T2의 한시동작 순시복귀 a 접점 T2이 닫히고 릴레이 X가 동작한다
- 동시에 릴레이 코일 X의 a 점이 열리어 타이머 코일 T1의 동작이 중지되고 릴레이 코일 X의 b접점도 열리어 출력도 정지하게되며, 모든 조건이 원래의 상태로 돌아온다. 입력을 준 후 일정시간 뒤에 출력이 나오기 시작하여 일정시간 동안만 나오다 중지한다.

º 타이머 응용 회로 [주기 작동회로]
- 입력신호에 의해서 일정시간 동안 출력을 내다가 출력이 정지되고 출력이 정지된 후 다시 일정시간이 흐르면 다시 출력을 내는 회로이다. (출력의 작동과 정지를 반복하는 회로이다)
[동작 설명]
① 입력인 누름 버튼 스위치 PB1를 누르면 (입력을 주면)
- 입력 PB1을 누르면 릴레이 코일 X가 동작 되고, 릴레이 코일 X의 a접점 X가 닫히어 자기 유지 된다.
- 또한 릴레이 코일 X의 a접점 X가 열리어 타이머 코일 T1의 동작도 시작 된다.
- 타이머 코일 T1이 동작하면 타이머 코일 T1의 순시 a접점도 닫히어 출력이 나온다.
- 타이머 코일 T1 설정시간 후 타이머 코일 T1의 한시동작 순시복귀 a접점이 작동하며, 타이머 코일 T2가 동작한다.
- 동시에 타이머 코일 T2 순시 a접점이 작동하여 자기 유지된다.
- 동시에 타이머 코일 T1 순시 b접점 가 떨어져 타이머 코일 T1의 작동이 정지되고, 타이머 코일 T1 순시 a접점도 열리어 출력도 정지 된다.
- 타이머 코일 T2 설정시간 후 타이머 코일 T2코일의 한시동작 순시복귀 b접점이 열리어 타이머 코일 T2의 동작이 정지되며, 다시 타이머 코일 T1의 작동이 시작되는 것을 반복하게 된다.
- 타이머 코일 T1의 작동이 시작되는 것을 반복하게 된다.
② 입력인 누름 버튼 스위치 PB2를 누르면 (입력을 Off하면) ㆍ모든 작동이 정지한다.

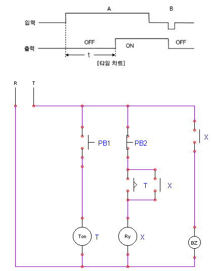
º 타이머 응용 회로 [이상 작동 검출회로]
- 입력신호에 의해서 일정시간 동안 출력을 내다가 출력이 정지되고 출력이 정지된 후 다시 일정시간이 흐르면 다시 출력을 내는 회로이다. (출력의 작동과 정지를 반복하는 회로이다)
[동작 설명]
① 입력인 누름 버튼 스위치 PB1를 누르면 (입력을 주면)
- 입력 PB1을 누르면 릴레이 코일 X가 동작 되고, 릴레이 코일 X의 a접점 X가 닫히어 자기 유지 된다.
- 또한 릴레이 코일 X의 a접점 X가 열리어 타이머 코일 T1의 동작도 시작 된다.
- 타이머 코일 T1이 동작하면 타이머 코일 T1의 순시 a접점도 닫히어 출력이 나온다.
- 타이머 코일 T1 설정시간 후 타이머 코일 T1의 한시동작 순시복귀 a접점이 작동하며, 타이머 코일 T2가 동작한다.
- 동시에 타이머 코일 T2 순시 a접점이 작동하여 자기 유지된다.
- 동시에 타이머 코일 T1 순시 b접점 가 떨어져 타이머 코일 T1의 작동이 정지되고, 타이머 코일 T1 순시 a접점도 열리어 출력도 정지 된다.
- 타이머 코일 T2 설정시간 후 타이머 코일 T2코일의 한시동작 순시복귀 b접점이 열리어 타이머 코일 T2의 동작이 정지되며, 다시 타이머 코일 T1의 작동이 시작되는 것을 반복하게 된다.
- 타이머 코일 T1의 작동이 시작되는 것을 반복하게 된다.
② 입력인 누름 버튼 스위치 PB2를 누르면 (입력을 Off하면)
- 모든 작동이 정지한다.

타이머 회로에 대한 공부을 마치며, 이 기술이 어떻게 우리의 일상과 현대 기술에 적용되어 있는지에 대해 살펴봤습니다. 타이머 회로는 시간을 정밀하게 제어하고 일정한 주기로 작업을 수행하는 데 사용되며, 이를 통해 우리의 생활은 더욱 편리하고 효율적으로 이루어지고 있습니다.
'STUDY > 전기공부' 카테고리의 다른 글
| 표시회로 및 경보회로 기초 설명 (1) | 2023.11.01 |
|---|---|
| 검출회로 및 기초 설명 (1) | 2023.11.01 |
| 선택회로 (우선회로) 및 기초 설명 (0) | 2023.11.01 |
| 자기유지회로 및 기초 설명 (2) | 2023.11.01 |
| 전기기초 회로 및 설명 (1) | 2023.10.30 |