■ 자동문 과 컨베이어 벨트 제어 및 전기회로 란 ?
- 자동문과 컨베이어 벨트는 자동화 및 제어 시스템에서 많이 사용되는 장치 중 하나입니다. 이러한 장치들은 전기 회로를 사용하여 작동하며, 다양한 센서, 스위치, 및 제어 장치를 포함합니다. 아래는 자동문과 컨베이어 벨트의 전기 회로에 대한 간략한 설명입니다.
1. 자동문 전기회로
- 자동문은 주로 상점이나 건물의 출입구에 설치되어 있으며, 센서와 모터 등을 사용하여 자동으로 열리고 닫히는 기능을 수행합니다.
1.1. 주요 구성 요소
- 열림/닫힘 센서: 문이 열리거나 닫히는 상태를 감지하는 센서입니다.
- 제어 패널: 센서의 입력을 받아 모터를 제어하는 패널입니다.
- 전동 모터: 문을 열고 닫는데 사용되는 전동 모터입니다.
- 제어 스위치 또는 터치 패널: 사용자가 수동으로 문을 조작하는 데 사용되는 스위치 또는 터치 패널이 있을 수 있습니다.
1.2. 동작 원리
- 사용자가 센서를 통해 감지되면, 제어 패널이 모터를 구동하여 문을 열거나 닫습니다.
- 일부 자동문 시스템은 사용자의 수동 입력(스위치 또는 터치 패널)을 허용하여 문을 제어할 수 있습니다.
2. 컨베이어 벨트 전기회로
- 컨베이어 벨트는 제품이나 물체를 이동시키는 데 사용되는 시스템으로, 전동 모터와 센서 등을 활용하여 작동합니다.
2.1. 주요 구성 요소
- 컨베이어 벨트 : 제품 또는 물체를 이동시키는데 사용되는 벨트입니다.
- 전동 모터 : 벨트를 구동하는데 사용되는 전동 모터입니다.
- 속도 센서 : 벨트의 속도를 측정하는 센서로, 제품의 이동 속도를 제어합니다.
- 제어 패널 : 센서의 입력을 받아 모터를 제어하는 패널입니다.
2.2. 동작 원리
- 제품이나 물체가 컨베이어 벨트에 올라오면, 속도 센서가 제품의 속도를 감지하여 제어 패널에 전달합니다.
- 제어 패널은 전동 모터를 조절하여 벨트의 속도를 유지하거나 조절하여 원하는 방향으로 이동시킵니다.
- 일부 시스템은 무거운 또는 큰 물체를 탐지하는 센서를 사용하여 벨트의 동작을 조절할 수 있습니다.
- 자동문 및 컨베이어 벨트의 전기 회로는 안전하고 효율적인 운전을 위해 정확하게 설계되어야 합니다.
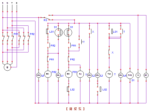
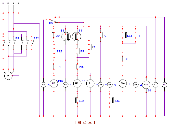
º 자동문 제어회로 회로도
[필요공구]
· 3상 유도전동기 · 드라이버 · 롱노즈플라이 · 니퍼 · 회로시험기
[재료]
· 전자개폐기 220v 3hp 5a2b(2개)
· 단자대 : 15p, 4p (각 2개)
· 광전자스위치 : 1a1b (1개)
· 리밋 스위치 : 1a1b (2개)
· 후리커릴레이 : 8핀 (1개)
· 표시등 : 25Φ (6개)
[안전 및 유의사항]
① 전원을 투입하기 전에 전원 전압을 확인하고 이상유무를 확인한다.
② 제어반에 반드시 접지를 한다.
③ 전원측 상순과 전동기 부하측 상순이 바뀌지 않도록 한다.
[작업 순서]
1. 작업 준비를 한다.
(가) 동작 기능을 이해한다.
(나) 전원 전압을 확인한 후 전원을 투입한다. 전원이 투입되면 포시등 L5는 점등된다.
(다) 전원을 투입하면 타이머 T 가 여자되어, 설정시간 t 초 후에는 MC1 이 여자되어, 전동기가 기동하여 문이 닫히며, 표시등 L1, L3가 점등된다.
(라) 센서에 물체가 감지되면 MC2 가 여자되어 전동기가 기동되어 문이 열리며 표시등 L2, L4 가 점등되 며, 센서는 원위치되며 타이머 설정시간 t 초후에는 MC1이 여자되어 문은 닫힌다.
(마) 전동기 과부하시 EOCR 이 동작되어 후리커 릴레이에 의해 표시등 부저 Bz 은 t 초 간격으로 동작되 며, YL 은 계속 점등된다.
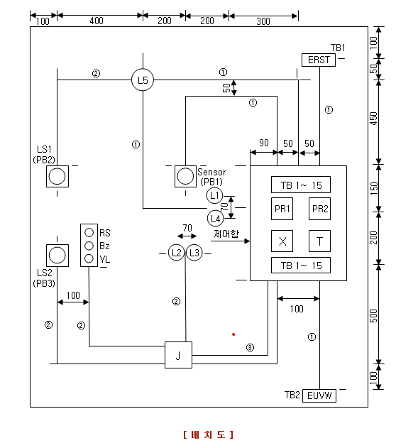
2. 제어용 제어반을 작업한다.
(가) 제어용 제어반 작업을 한다.
(나) 제어반의 기구 배치를 작도 한다.
(다) 기구를 배치하고 고정한다.
(라) 회로를 배선한다.
① 주회로를 배선한다.
② 제어 회로를 배선한다.
③ 회로 시험기로 점검한다.
3. 기구를 고정한다.
(가) 기구위치를 작업판에 작도한다.
(나) 제어판을 고정한다.
(다) 기구류를 고정한다.
4. 배관 및 케이블 공사를 한다.
(가) 도면을 보고 배관 위치를 선정한다.
(나) PE관 공사를 한다.
(다) 주름관 공사를 한다.
(라) 케이블 공사를 한다.
5. 배선 및 회로결선을 한다.
(가) 전원, 전동기 부하, 표시등 및 조작회로를 배선한다.
(나) 단자대 및 기구에 회로 결선을 한다.
(다) 접지공사를 한다.
6. 점검한다.
(가) 회로시험기로 회로 각 부분과 전체를 점검한다.
(나) 단자조임 상태를 확인한다.
(다) 접지 공사를 확인한다.
7. 동작 실험을 한다.
(가) 단자대에 전동기를 연결한다.
(나) 계전기류를 소켓에 끼운다.
(다) 센서가 동작시 전동기의 기동으로 문이 열리고 닫힘을 확인한다.
(라) 표시등의 점등 상태를 확인한다.
(마) ECOR의 동작 상태를 확인한다.


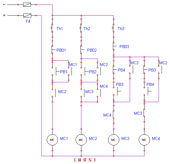
º 컨베이어 벨트의 전기회로배선
[필요공구]
· 3상 유도전동기 · 드라이버 · 롱노즈플라이 · 니퍼 · 회로시험기
[재료]
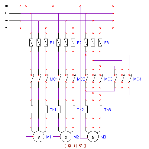
· 전자개폐기 220v 3hp 5a2b (4개)
· 단자대 : 20p (1개)
· 누름버튼 스위치 : 1a1b (7개)
· 퓨즈 : 11개
[안전 및 유의사항]
① 전원을 투입하기 전에 전원 전압을 확인하고 이상유무를 확인한다.
② 퓨즈는 홀더에 끼워넣고 정격용량을 사용한다.
③ 패널에 반드시 접지를 한다.
④ 과전류계전기의 전류 조정 눈금을 전동기의 정격값에 맞춘다.
⑤ 전원측 상순과 전동기 부하측 상순이 바꾸지 않도록 한다.
[작업 순서]
1. 작업 준비를 한다.
- 도면과 동작 기능을 이해한다.
- 전원을 투입하고 배선용 차단기 MCB 를 ON 한다.
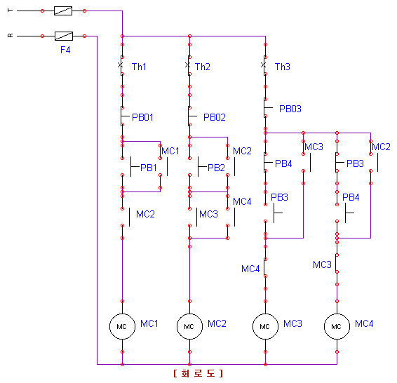
- PB3를 누르면 MC3 가 여자되어 전동기 M3 가 기동되어 우방향으로 기동되며, 이 때 PB2를 누르면 MC2 가 여자되어 전동기 M2 가 기동된다. 다시 PB1을 누르면 MC1 이 여자되며, 전동기 M1이 기동된다.
- 누름 버튼 스위치 PB03을 누르면 전동기 M3, M2 및 M1 이 정지되고, PBO2 는 전동기 M2 및 M1을 정지시키고 M3 만 운전되며 PM01을 누르면 전동기 M1 만 정지되고 M2 및 M3 는 운전된다.
- PB4를 누르면 MC4 가 여자되어 전동기 M3 가 기동되어 좌방향으로 기동되며, 이때 PB2를 누르면 MC2 가 여자되어 전동기 M2 가 기동된다. 다시 PB1을 누르면 MC1 이 여자되며, 전동기 M1이 기동 된다.
- 누름 버튼 스위치 PB03을 누르면 전동기 M3, M2 및 M1 이 정지되며, PB02 는 전동기 M2 및 M1을 정지 시키고 M3 만 운전되며 PB01을 누르면 전동기 M1 만 정지되고 M2 및 M3 는 운전된다.
- 재료 및 공구를 준비하고 재료의 이상 유무를 확인한다.
2. 제어용 패널 작업을 한다.
(가) 패널 기구 배치를 작도한다.
(나) 기구 고정을 위한 드릴작업을 한다.
(다) 몰드작업을 하고 패널에 고정한다.
(라) 회로를 배선한다.
① 주회로를 배선한다.
② 제어 회로를 배선한다.
③ 접지선을 배선한다.
④ 회로시험기로 점검한다.
3. 기구를 고정한다.
(가) 기구위치를 작업판에 작도한다.
(나) 제어판을 고정한다.
(다) 기구류를 고정한다.
4. 배관 및 케이블 공사를 한다.
(가) 도면을 보고 배관 위치를 선정한다.
(나) PVC관 공사를 한다.
(다) 케이블 공사를 한다.
5. 배선 및 회로결선을 한다.
(가) 전원, 전동기 부하, 표시등 및 조작회로를 배선한다.
(나) 단자대 및 기구에 회로 결선을 한다.
(다) 접지공사를 한다.
6. 점검한다.
(가) 회로시험기로 회로 각 부분과 전체를 점검한다.
(나) 단자조임 상태를 확인한다.
(다) 접지 공사를 확인한다.
7. 동작 실험을 한다.
(가) 단자대에 전동기를 연결한다.
(나) 전원 전압을 확인하고 연결한다.
(다) 누름버튼 스위치를 눌러 컨베이어 벨트의 동작 상태를 확인한다.


다른 전기회로 더보기
유도전동기 한시기동정지, 자동수동회로,타이머회로 배선하기
■ 유도전동기 한시기동정지, 자동수동회로,타이머회로 배선공부 유도전동기의 한시 기동 및 정지 반복 회로는 모터를 특정 시간 동안 가동하고, 그 후에 일정 시간 동안 정지시키는 기능을 수
dailybits.tistory.com
'STUDY > 전기공부' 카테고리의 다른 글
| 자동제어 종류 및 시퀀스제어 종류 #2 (1) | 2024.02.10 |
|---|---|
| 자동제어 의 기본개념 및 시퀀스 뜻 #1 (0) | 2024.02.10 |
| A접점, B접점, C접점의 접점기호 및 회로도 (1) | 2023.11.20 |
| 양수펌프 유도전동기 수동 및 자동회로 배선도 공사 (1) | 2023.11.12 |
| 에스컬레이터 자동 수동 회로도 배선 (3) | 2023.11.08 |